123ignition TUNE+ 4-R-V-Datsun (Bluetooth)
Réglez vous-même votre moteur via votre téléphone ou votre tablette ? Le TUNE + est le premier allumage électronique au monde que vous pouvez configurer vous-même à l'aide d'une connexion sans fil à vos appareils Bluetooth 4.0 iOS et Android. L'application gratuite permet de modifier la courbe d'allumage, d'afficher un tableau de bord électronique et de sécuriser votre voiture au moyen d'un blocage du démarrage.
123/TUNE+ programmer sans fils
Après avoir installé l'application gratuite et établi une connexion Bluetooth, vous pouvez régler le 123/TUNE+ via votre téléphone ou votre tablette avec sa propre courbe d'avance optimale.
L'application permet de modifier la courbe d'allumage, d'afficher un tableau de bord électronique et de protéger votre voiture au moyen d'un blocage du démarrage.
Caractéristiques du 123/TUNE+ 4-R-V-Datsun
- Rotation CW & CCW (auto detect)
- Pour voitures 6 Volt ou 12 Volt (auto detect)
- Angle de came variable (auto detect)
- Coupure de l’alimentation après 1 seconde (auto detect)
- Pour voitures avec positif ou négatif à la masse
- Courbes d’avance (500 à 8000 tr/min)
- Avance à dépression & courbe boost-retard (0 à 200 kPa ou -30 ininHg +15 psi)
- Seuil de régime moteur (MAP-start) auquel s’enclenche l’avance à dépression
- Limiteur de régime moteur (advanced random spark stealing)
- Real-time tuning depuis votre smartphone (idéal pour travailler au banc d’essais)
Ce que vous pouvez voir sur votre téléphone ou votre tablette pendant la conduite
- Mesure de température (choix entre degrés Celsius ou Fahrenheit)
- Pression inférieure ou supérieure dans le collecteur d'admission (en Bar, inches Hg ou Psi)
- Compte-tours (0 à 8000 tours de vilebrequin par minute)
- Mesure de l’énergie fournie par la bobine (courant dans le primaire de la bobine)
- Mesure de l’avance totale (en degré d’avance au vilebrequin)
- Tension de la batterie
- Vitesse GPS
Points d’attention pour TUNE+
Nous vous recommandons de comparer soigneusement les dimensions du 123/TUNE avec celles de votre distributeur d’origine ET de lire attentivement le manuel d'installation avant de passer votre commande! Le manuel d'installation contient des informations supplémentaires sur le montage et l'installation. Plusieurs exemples décrivent étape par étape comment programmer le 123/TUNE.
Le TUNE+ fonctionne avec les appareils Apple iOS et Android dotés de Bluetooth 4.0.
Bobine et bougies
Les bobines d'allumage usagées ne sont souvent plus en bon état. Il n'est pas possible de vérifier combien de fois une bobine d'allumage a été exposée à une surchauffe dans le passé. Si vous achetez une nouvelle bobine au même moment que vous achetez votre allumage 123, vous pouvez être sûr que cette bobine ne surchauffera plus jamais. Nous recommandons la 123 Red Coil.
Peut-être avez-vous également besoin de nouvelles bougies d'allumage? Chez 123ignitionshop, nous proposons également depuis quelque temps les bougies les plus utilisées convenant aux voitures pour lesquelles 123ignition est conçues. Consulter la page des bougies.
Fiche technique
- Cylindres
- 4
- Direction de rotation
- CW/CCW
- Tension
- 4,0 - 15,0 volts
- Varier
- 500 - 10.000 rpm
- Température
- -30 à 100 Celsius
- Bobine
- Bobine standard ou haute énergie, bobine primaire PAS inférieure à 1,0 ohm
- Demeurer
- Courant constant, entièrement automatique
- Temps libre
- Après 1 seconde, le courant est coupé
- précision
- Moins de 0,5 degr. vilebrequin
- Vide
- Programmable : -20 / +20 degrés.
- Avance maximale
- Vilebrequin à 40 degrés
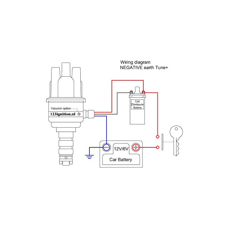
- Câblage
- rouge +6V ou +12V, bobine d'allumage noire '-', masse châssis bleu
- Type de terre
- Convient aux types de terre négatifs et positifs
- Curve
- Programmable sans fil avec l'application Android ou iOS
Pas de commentaires client pour le moment.

