123ignition TUNE-4-R-V-V (USB), ersetzt Bosch Verteilers für VW, Volvo
Selbst die Kurve (oder Verstell Kennlinie) Ihre 123/TUNE Zündung programmieren? Das kann mit USB Kabel und Computer. Für ein optimales Motortuning, oder wenn Sie einen Motor haben, für den es keinen Standardverteiler gibt. Mit Hilfe eines Computers können Sie die 123/TUNE Zündung einfach selber programmieren und ihr eine optimale Verstell Kennlinie mitgeben.
Das Modell "V" ersetzt die meiste Bosch Verteiler, wie sie in VW en Volvo benutzt werden (bitte kontrollieren Sie die Abmessungen vor Sie ihre Bestellung vornehmen).
123/TUNE die mit USB programmierbare 123ignition Zündung
Selbst die Kurve (oder Verstell Kennlinie) Ihre 123/TUNE Zündung programmieren? Das kann mit USB Kabel und Computer. Für ein optimales Motortuning, oder wenn Sie einen Motor haben, für den es keinen Standardverteiler gibt. Mit Hilfe eines Computers können Sie die 123/TUNE Zündung einfach selber programmieren und ihr eine optimale Verstell Kennlinie mitgeben.
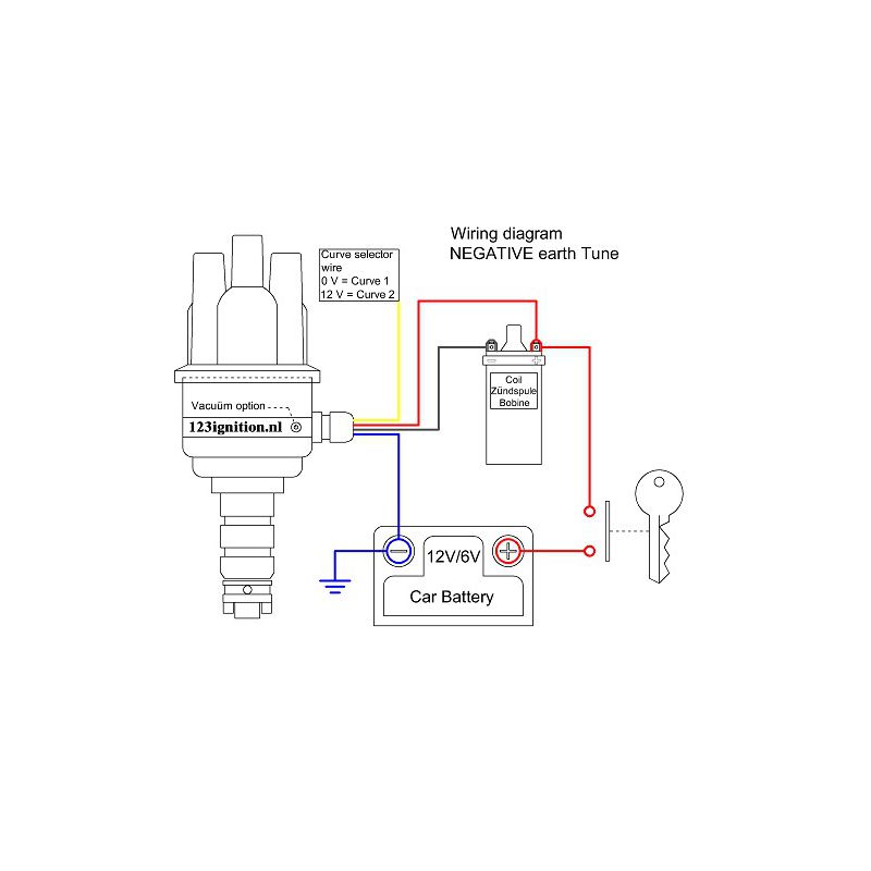
Ideal wann Sie auch fahren auf Autogas: die Zündung hat zwei Sätze Verstell Kennlinien. Die Wahl erfolgt dadurch, dass man die Spannung an gelbe Kabel der 123/TUNE Zündung anlegt. Auf diese Weise können Sie, auch ohne Computer, zwischen den zwei vorprogrammierten Verstell Kennlinien schalten.
Model "V" für Bosch Verteiler
Das Modell "V" ersetzt die meiste Bosch Verteiler, wie sie in VW und Volvo benutzt werden (bitte kontrollieren Sie die Abmessungen vor Sie ihre Bestellung vornehmen).
Eigenschaften der 123/TUNE-4-R-V-V
- Für beide Drehrichtungen geeignet (autodetect)
- Für 6 Volt und/oder 12 Volt Anlagen (autodetect)
- Für Fahrzeuge mit Batterieminus oder -plus an Masse
- Variabler Schliesswinkel
- Automatische Stromabschaltung der Spule nach einer Sekunde
- Zwei drehzahlabhängige Verstellkennlinien (500 bis 8000 Umdrehungen/min)
- Zwei Unterdruck und Überdruck (für aufgeladene Motoren) Verstellkennlinien (0 bis 200 kPa oder -30 inHg bis +15 psi). Sie können die Drehzahlen selber einstellen, ab wann die Unterdruckverstellung aktiv wird (MAP-Start Kennfelder)
- Zwei Drehzahlbegrenzungen (fortschrittliche Funkabschaltung)
- Real-time Tuning mit Hilfe eines Notebooks (ideal auf dem Leistungsprüfstand)
- Drehzahl Stoppuhr (ideal für das Tuning auf der Straße)
- Kennfelder können einfach übers Internet ausgetauscht werden
Die Software sieht aus wie ein elektronisches Armaturenbrett
- Temperaturmesser (Sie können wählen zwischen Angabe in Celsius oder Fahrenheit)
- Saugrohrdruck (in bar oder inches Hg/psi)
- Drehzahlmesser (0 bis 8000 Umdrehungen/min)
- Strommesser (Primärstrom der Zündspule)
- Angabe der totalen Frühverstellung (in Grad Kurbelwelle)
Einbauanleitung 123/TUNE
Wir empfehlen Ihnen, die Abmessungen der 123/TUNE genauestens mit Ihrem Originalverteiler zu vergleichen UND die Einbauanleitung sorgfältig zu lesen, vor Sie ihre Bestellung vornehmen! In der Einbauanleitung finden Sie weitere Informationen zum Montagevorgang und zur Programmierung der 123/TUNE Zündung.
Die letzte Softwareversion von der 123/TUNE Zündung können Sie jetzt downloaden: www.123ignition.com.
Minimal benötigt für die 123-tune software:
• MS Windows XP
• 1 gigahertz (GHz) processor
• 256 megabytes (MB) RAM
• Freie (geschalltete!) USB port
• Abgeschirmte USB Kabel mit mini-B anschluss (male) – erwerbbar in Geschäft
USB Kabel, Zündspule und Zündkerzen
Achtung: Die 123/TUNE Zündung benötigt ein abgeschirmtes USB-Kabel, dieses ist jedoch NICHT im Lieferumfang enthalten. Der Hersteller empfiehlt ein Belkin Kabel. Natürlich können Sie dieses Kabel auch bei uns bestellen. Dafür finden sie unten, bei ‘Zubehör’ ein Bild der Kabel und können Sie diese ganz einfach in den Warenkorb machen.
Auf die gleiche Weise können Sie bei uns eine neue Zündspule kaufen. Alte Zündspulen sind oft in einem schlechten Zustand und meistens ist nicht bekannt, wie oft sie überhitzt waren. Es empfiehlt sich, bei Beschaffung einer 123 Zündung, gleichzeitig auch eine neue Zündspule einzubauen. So sind Sie sicher, dass die neue Spule nie mehr überhitzt wird. Wir empfehlen die High Energy 2020 Zündspule.
Brauchen Sie vielleicht auch neue Zündkerzen? Die am häufigsten verwendeten Zündkerzen für Fahrzeuge die eine 123ignition Zündung benutzen können, finden Sie auf der Seite mit Zündkerzen.
Technische Daten
- Zylinder
- 4
- Drehrichtung
- CW/CCW
- Stromspannung
- 4,0 - 15,0 volt
- Bereich
- 500 - 10.000 rpm
- Temperatur
- -30 bis 100 Celsius
- Spule
- Standard- oder Hochenergiespule, Primärspule NICHT unter 1,0 Ohm
- Verweilen
- Konstantstrom, vollautomatisch
- Auszeit
- Nach 1 Sekunde wird der Strom abgeschaltet
- Richtigkeit
- Weniger als 0,5 Grad Kurbelwelle
- Vakuum
- Programmierbar: -20 / +20 Grad.
- Maximaler Vorschuss
- 40 Grad Kurbelwelle
- Verdrahtung
- rot +6V oder +12V, schwarze '-' Zündspule, blaue Chassismasse, gelber Kurvenwähler
- Erdungstyp
- Geeignet für negative und positive Erdungstypen
- Kurve
- Programmierbar über USB-Kabel mit Windows-PC-Software
Kleiner Verbesserungsvorschlag
Der Verteiler macht das was er soll und das sehr zuverlässig. es gäbe allerdings noch Optimierungspotential. Z.B. währe es schön wenn die MAP Anzeige die gleiche Einteilung hätte wie die in der die Kurve programmiert wird. Oder wenn die Veränderten werde bei einer einstellungsfahrt gleich abgespeichert würden.
werkt heel goed
Laatst heb ik de 123 ignition geplaatst in mijn Volvo amazon.
Het was een beetje knutselwerk: nieuwe bobijn in het oude bobijnhuis geplaatst, oud contactslot vervangen door een nieuw ivm spanning op 123 ignition tijdens het starten, dan was ik wat in de war met de draadjes van mijn toerenteller waardoor de ontsteking eerst niets deed.
Maar nu wou ik toch laten weten dat alles heel goed werkt!!
Ik ben een tevreden klant!!
sehr zufrieden
Sehr gut verarbeitete Zündung. Angenehmer Kontakt zum Hersteller, alle Fragen wurden prompt beantwortet. In bin sehr zufrieden. Kann ich nur weiterempfehlen!!!!
works well and easy to fit
my 123 tune distributor arrived quickly and well packaged from Leenapk. I fitted it to my NSU TT following the instructions and it is working well. The car is easier to start and I can adjust the advance curves to suit.
Saubere Verarbeitung!!
Der Verteiler ist einfach super sauber aufgebaut, die Lösung mit dem USB Anschluss ist alltags tauglich und wasserdicht. Ich verwende ihn in einem 2,1l 150PS Käfer Typ1 Motor in einem Trike.
Sehr empfehlenswert
Einfache Handhabung, gute Optik und universell einsetzbar. habe 123 Tune 4 r v v in einem Glas 1700 GT Baujahr 1966 eingesetzt und kann damit auf dem Rollenprüfstand die beste Zündkurve für meinen Fahrstil und Motor einstelle. Eine kleine Anregung hätte ich noch: Auf dem Rollenprüfstand wäre es sinnvoll wenn bei der TUNE Einstellung die veränderten Werte gleich im Zündverteiler gespeichent könnte

