123ignition TUNE-4-R-V-Lancia (USB)
Jetzt auch für die Lancia Flavia und Fulvia Motoren.
Selbst die Kurve (oder Verstell Kennlinie) Ihre 123/TUNE Zündung programmieren? Das kann mit USB Kabel und Computer. Für ein optimales Motortuning, oder wenn Sie einen Motor haben, für den es keinen Standardverteiler gibt. Mit Hilfe eines Computers können Sie die 123/TUNE Zündung einfach selber programmieren und ihr eine optimale Verstell Kennlinie mitgeben.
Das Modell "Lancia" ersetzt die meiste Verteiler, geeignet für Flavia und Fulvia Motoren.
123/TUNE die mit USB programmierbare 123ignition Zündung
Selbst die Kurve (oder Verstell Kennlinie) Ihre 123/TUNE Zündung programmieren? Das kann mit USB Kabel und Computer. Für ein optimales Motortuning, oder wenn Sie einen Motor haben, für den es keinen Standardverteiler gibt. Mit Hilfe eines Computers können Sie die 123/TUNE Zündung einfach selber programmieren und ihr eine optimale Verstell Kennlinie mitgeben.
Ideal wann Sie auch fahren auf Autogas: die Zündung hat zwei Sätze Verstell Kennlinien. Die Wahl erfolgt dadurch, dass man die Spannung an gelbe Kabel der 123/TUNE Zündung anlegt. Auf diese Weise können Sie, auch ohne Computer, zwischen den zwei vorprogrammierten Verstell Kennlinien schalten.
Model "Lancia" für Fulvia und Flavia Motoren
Das Modell "Lancia" ersetzt die meiste Verteiler, geeignet für Flavia und Fulvia Motoren.
Eigenschaften der 123/TUNE-4-R-V-Lancia
- Für 6 Volt und/oder 12 Volt Anlagen (autodetect)
- Für Fahrzeuge mit Batterieminus oder -plus an Masse
- Variabler Schliesswinkel
- Automatische Stromabschaltung der Spule nach einer Sekunde
- Zwei drehzahlabhängige Verstellkennlinien (500 bis 8000 Umdrehungen/min)
- Zwei Unterdruck und Überdruck (für aufgeladene Motoren) Verstellkennlinien (0 bis 200 kPa oder -30 inHg bis +15 psi). Sie können die Drehzahlen selber einstellen, ab wann die Unterdruckverstellung aktiv wird (MAP-Start Kennfelder)
- Zwei Drehzahlbegrenzungen (fortschrittliche Funkabschaltung)
- Real-time Tuning mit Hilfe eines Notebooks (ideal auf dem Leistungsprüfstand)
- Drehzahl Stoppuhr (ideal für das Tuning auf der Straße)
- Kennfelder können einfach übers Internet ausgetauscht werden
Die Software sieht aus wie ein elektronisches Armaturenbrett
- Temperaturmesser (Sie können wählen zwischen Angabe in Celsius oder Fahrenheit)
- Saugrohrdruck (in bar oder inches Hg / psi)
- Drehzahlmesser (0 bis 8000 Umdrehungen/min)
- Strommesser (Primärstrom der Zündspule)
- Angabe der totalen Frühverstellung (in Grad Kurbelwelle)
Einbauanleitung 123/TUNE
Wir empfehlen Ihnen, die Abmessungen der 123TUNE genauestens mit Ihrem Originalverteiler zu vergleichen UND die Einbauanleitung sorgfältig zu lesen, vor Sie ihre Bestellung vornehmen! In der Einbauanleitung finden Sie weitere Informationen zum Montagevorgang und zur Programmierung der 123TUNE Zündung.
Die letzte Softwareversion von der 123TUNE Zündung können Sie jetzt downloaden www.123ignition.com. Minimal benötigt für die 123-tune software:
• MS Windows XP
• 1 gigahertz (GHz) processor
• 256 megabytes (MB) RAM
• Freie (geschalltete!) USB port
• Abgeschirmte USB Kabel mit mini-B anschluss (male) – erwerbbar in Geschäft
USB Kabel, Zündspule und Zündkerzen
Achtung: Die 123TUNE Zündung benötigt ein abgeschirmtes USB-Kabel, dieses ist jedoch NICHT im Lieferumfang enthalten. Der Hersteller empfiehlt ein Belkin Kabel. Natürlich können Sie dieses Kabel auch bei uns bestellen. Dafür finden sie unten, bei ‘Zubehör’ ein Bild der Kabel und können Sie diese ganz einfach in den Warenkorb machen.
Auf die gleiche Weise können Sie bei uns eine neue Zündspule kaufen. Alte Zündspulen sind oft in einem schlechten Zustand und meistens ist nicht bekannt, wie oft sie überhitzt waren. Es empfiehlt sich, bei Beschaffung einer 123 Zündung, gleichzeitig auch eine neue Zündspule einzubauen. So sind Sie sicher, dass die neue Spule nie mehr überhitzt wird. Für Ihre 4 Zylinder empfehlen wir die 123 Red Coil.
Brauchen Sie vielleicht auch neue Zündkerzen? Die am häufigsten verwendeten Zündkerzen für Fahrzeuge die eine 123ignition Zündung benutzen können, finden Sie auf der Seite mit Zündkerzen.
Technische Daten
- Zylinder
- 4
- Drehrichtung
- CW/CCW
- Stromspannung
- 4,0 - 15,0 volt
- Bereich
- 500 - 10.000 rpm
- Temperatur
- -30 bis 100 Celsius
- Spule
- Standard- oder Hochenergiespule, Primärspule NICHT unter 1,0 Ohm
- Verweilen
- Konstantstrom, vollautomatisch
- Auszeit
- Nach 1 Sekunde wird der Strom abgeschaltet
- Richtigkeit
- Weniger als 0,5 Grad Kurbelwelle
- Vakuum
- Programmierbar: -20 / +20 Grad.
- Maximaler Vorschuss
- 40 Grad Kurbelwelle
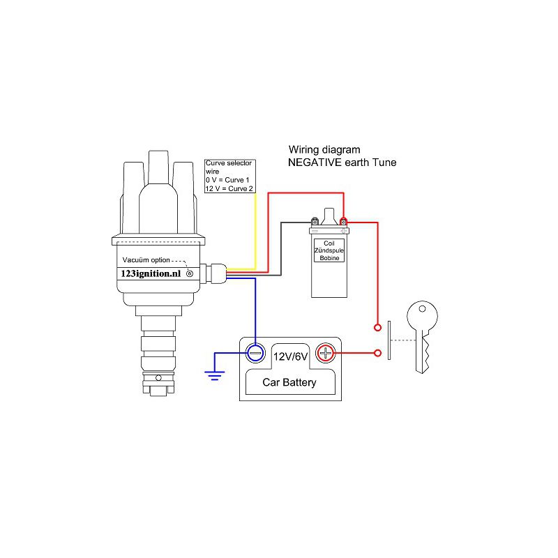
- Verdrahtung
- rot +6V oder +12V, schwarze '-' Zündspule, blaue Chassismasse, gelber Kurvenwähler
- Erdungstyp
- Geeignet für negative und positive Erdungstypen
- Kurve
- Programmierbar über USB-Kabel mit Windows-PC-Software
Keine Kundenbewertung für den Moment.

