123ignition TUNE-4-R-V-Lancia (USB)
Teraz też dostępne do Lancia Flavia i Fulvia silników.
Paroma kliknięciami możesz sam zaprogramować własną krzywą zapłonu. Za pomocą 123/TUNE, USB kabelka i laptopa, jest możliwe stuningowanie Twojego samochodu.
Model "Lancia" zastąpi rozdzielacze do Flavia i Fulvia silników.
123/TUNE przez kabel USB do zaprogramowania zapłon 123
Paroma kliknięciami możesz sam zaprogramować własną krzywą zapłonu. Za pomocą 123/TUNE, USB kabelka i laptopa, jest możliwe stuningowanie Twojego samochodu.
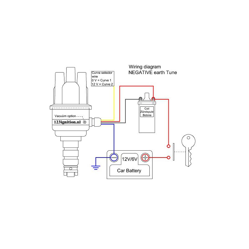
Przydatne, jeżeli jeździsz też na gaz: możesz zaprogramować drugą krzywą. Krzywe mogą zostać wybrane poprzez podłączenie prądu na żółty kabelek na 123/TUNE. Takim sposobem możesz, bez komputera, wybierać pomiędzy dwoma zaprogramowanymi krzywymi.
Model "Lancia" do Flavia i Fulvia silników
Model "Lancia" zastąpi rozdzielacze do Flavia i Fulvia silników.
Właściwości 123/TUNE-4-R-V-Lancia
- Do 6 Volt i 12 Volt samochodów (autodetect)
- Do samochodów napięciem ujemnym i dodatnim
- Zmienny kąt kontaktu (autodetect)
- Po sekundzie automatyczne przerwanie prądu (autodetect)
- Od obrotów zależne dwie krzywe (500 tot 8000 rpm)
- Dwie krzywe z regulatorem podciśnienia i boost-retard (dla turbo silników) (0 tot 200 kPa of -30 inHg tot +15 psi) przy których sam możesz wybrać punkt startu obrotów przy których zostanie zaktywowane podciśnienie (MAP-start fields)
- Dwa ograniczniki obrotów
- Real-time tuning za pomocą natebooka.
- Rpm-zegar
- Same zaprogramowane krzywe są łatwe do wymiany na internecie
Co możesz za pomocą programu odczytać
- Termometr (możesz wybrać pomiędzy Celsius a Fahrenheit)
- Nad- lub podciśnienie w kolektorze ssącym
- Licznik obrotów (0 do 8000 rpm)
- Licznik który mierzy napięcie w cewce
- Licznik który mierzy całkowitą przedwczesność
Instrukcja instalacji 123/TUNE
Proszę dokładnie porównać wymiary oryginalnego rozdzielacz z nowym i proszę przeczytać instrukcje instalacji. W instrukcji stoi więcej informacji ta temat instalacji i wbudowania. Jest tam również krok po kroku opisana procedura instalacji 123 układu zapłonu.
Najnowsza wersja programu 123/TUNE jest do ściągnięcia na www.123ignition.com.
Minimalne wymagania są:
• MS Windows XP
• 1 gigahertz (GHz) procesor
• 256 megabytes (MB) RAM
• USB wejście
• USB kabel z mini-B styczką (male) – osobno do zamówienia
USB kabel, cewka i świece zapłonowe
123/TUNE zostaje dostarczone bez kabla USB. Producent poleca Belkin kabel. Oczywiście możesz go kupić u nas.
Używana cewka nie jest w najlepszym stanie. Jest to mianowicie niemożliwe żeby sprawdzić jest często była ona przegrzana. Jeżeli przy zakupie 123 zapłonu kupisz od razu nowa cewkę zapłonowa, będziesz pewny ze nie będzie ona przegrzana. Polecamy niebieską 123 Red Coil.
Może potrzebujesz tez nowych świec zapłonowych? Od niedawna oferujemy u 123igntionshop najczęściej używane świece które są częścią 123 zapłonu. Zobacz na stronę ze świecami zapłonowymi.
Opis
- Cylindry
- 4
- Kierunek rotacji
- CW/CCW
- Napięcie
- 4,0 - 15,0 V
- Zasięg
- 500 - 10.000 rpm
- Temperatura
- -30 do 100 Celsjusza
- Cewka
- Cewka standardowa lub wysokoenergetyczna, cewka pierwotna NIE poniżej 1,0 oma
- Przedział
- Stały prąd, w pełni automatyczny
- Przerwa
- Po 1 sekundzie prąd zostaje wyłączony
- dokładność
- Mniej niż 0,5 stopni wał korbowy
- Próżnia
- Programowalne: -20 / +20 stopni.
- Maksymalne osiągnięcie
- Wał korbowy 40 stopni
- Okablowanie
- czerwony +6V lub +12V, czarny cewka zapłonowa '-', niebieski masa podwozia, żółty selektor krzywej
- Typ ziemi
- Nadaje się do ujemnych i dodatnich typów uziemnienia
- Krzywa
- Programowalny za pomocą kabla USB z oprogramowaniem Windows PC
No customer reviews for the moment.

