123ignition TUNE-6-R-V-M (USB), remplace les distributeurs Bosch entre autres pour Mercedes
En quelques clics de souris, vous pouvez programmer vous-même votre 123/TUNE avec sa propre courbe d’avance optimale. En utilisant le 123/TUNE, un câble USB (blindé) et un ordinateur portable, vous pouvez régler vous-même votre moteur ou un moteur pour lequel aucun distributeur programmable standard n'est disponible.
Le modèle "M" remplace la plupart des distributeurs Bosch, utilisés par Mercedes (veuillez comparer les dimensions avant de commander). Le 123/TUNE-6-R-V-M pour 6 cylindres est livré avec une coiffe droite.
Allumage 123/TUNE à programmer via un câble USB
En quelques clics de souris, vous pouvez programmer vous-même votre 123/TUNE avec sa propre courbe d’avance optimale. En utilisant le 123/TUNE, un câble USB (blindé) et un ordinateur portable, vous pouvez régler vous-même votre moteur ou un moteur pour lequel aucun distributeur programmable standard n'est disponible.
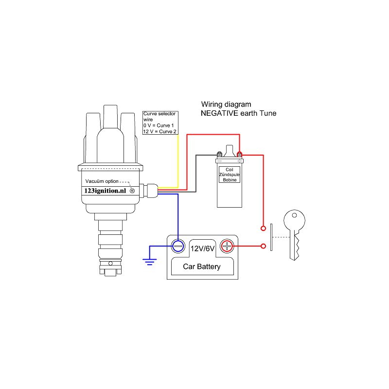
Pratique lorsque vous roulez également au gaz: vous pouvez programmer une deuxième courbe. Les courbes peuvent être sélectionnées en appliquant une tension sur le fil jaune du 123/TUNE. Cela vous permet de basculer entre les deux courbes préprogrammées, même sans ordinateur.
Modèle "M" pour distributeurs Bosch
Le modèle "M" remplace la plupart des distributeurs Bosch, utilisés par Mercedes (veuillez comparer les dimensions avant de commander). Le 123/TUNE-6-R-V-M pour 6 cylindres est livré avec une coiffe droite.
Caractéristiques du 123/TUNE-6-R-V-M
- Convient pour la rotation dans le sens des aiguilles d'une montre (CW) et dans le sens inverse des aiguilles d'une montre (CCW) (détection automatique)
- Pour voitures 6 ou 12 V (détection automatique)
- Pour voitures avec négatif ou positif à la masse
- Angle de came variable (détection automatique)
- Coupure de l’alimentation bobine après 1 seconde (détection automatique)
- Deux courbes d'avance dépendantes du régime moteur (500 et 8000 tr/min)
- Deux courbes d’avance à dépression et courbes boost-retard (pour moteurs turbo) (0 à 200 kPa ou 30 inHg) où vous pouvez définir les points de départ en tr/min au-dessus duquel l'avance à dépression devient active (MAP-start fields)
- Deux limiteurs de régime moteur (suppression aléatoire des étincelles avancée)
- Real-time tuning grâce à l'utilisation d'un ordinateur portable (idéal pour une utilisation avec un banc d'essai de puissance)
- Rpm-stopwatch (idéal pour le réglage lorsque vous utilisez la route au lieu d'un banc d'essai)
- Les courbes programmées par vous-même peuvent facilement être échangées via Internet (idéal pour rechercher la courbe idéale avec d'autres amateurs)!
Ce que vous pouvez lire grâce au logiciel via un "tableau de bord" électronique
- Indicateur de température (vous pouvez choisir un affichage en degrés Celsius ou Fahrenheit)
- Pression inférieure ou supérieure dans le collecteur d'admission (affichage en bars, en pouces Hg ou Psi)
- Compte-tours (0 à 8000 tours/minute au vilebrequin)
- Compteur indiquant l'énergie de la bobine d'allumage (courant au primaire de la bobine d'allumage)
- Affichage de l’avance totale (au vilebrequin en degrés d’avance)
Manuel d'installation de 123/TUNE
Nous vous recommandons de comparer soigneusement les dimensions du 123/TUNE avec celles de votre distributeur d’origine ET de lire attentivement le manuel d'installation avant de passer votre commande! Le manuel d'installation contient des informations supplémentaires sur le montage et l'installation. Plusieurs exemples décrivent étape par étape comment programmer le 123/TUNE.
La dernière version du logiciel du 123/TUNE peut être téléchargée à l’adresse www.123ignition.com.
La configuration système minimale requise pour le 123TUNE est:
• MS Windows XP
• Processeur 1 gigahertz (GHz)
• 256 megabytes (MB) RAM
• Port USB libre (alimenté!)
• Câble USB blindé avec fiche mini-B (mâle) - à commander séparément
Câble USB, bobine et bougies
Remarque: le 123/TUNE est fourni SANS câble USB blindé. Le fabricant recommande d'utiliser un câble Belkin à cet effet. Vous pouvez bien sûr également le commander chez nous: il vous suffit d’ajouter le câble à votre panier, il est repris en bas de la page, sous rubrique «Accessoires».
De la même manière, vous pouvez vous procurer une nouvelle bobine chez nous. Les bobines d'allumage usagées ne sont souvent plus en bon état. Il n'est pas possible de vérifier combien de fois une bobine d'allumage a été exposée à une surchauffe dans le passé. Si vous achetez une nouvelle bobine au même moment que vous achetez votre allumage 123, vous pouvez être sûr que cette bobine ne surchauffera plus jamais. Nous recommandons Bobine pour High Energy #2020.
Peut-être avez-vous également besoin de nouvelles bougies d'allumage? Chez 123ignitionshop, nous proposons également depuis quelque temps les bougies les plus utilisées convenant aux voitures pour lesquelles 123ignition est conçues. Consulter la page des bougies.
Ensemble complet
Maintenant aussi le set complet peut être commandé en une seule fois: un distributeur 123/TUNE Mercedes-6-R-V + bobine d'allumage Bosch rouge + set de 6 bougies d'allumage WR6DC + câbles de bougies!
Fiche technique
- Cylindres
- 6
- Direction de rotation
- CW/CCW
- Tension
- 4,0 - 15,0 volts
- Varier
- 500 - 10.000 rpm
- Température
- -30 à 100 Celsius
- Bobine
- Bobine standard ou haute énergie, bobine primaire PAS inférieure à 1,0 ohm
- Demeurer
- Courant constant, entièrement automatique
- Temps libre
- Après 1 seconde, le courant est coupé
- précision
- Moins de 0,5 degr. vilebrequin
- Vide
- Programmable : -20 / +20 degrés.
- Avance maximale
- Vilebrequin à 40 degrés
- Câblage
- rouge +6V ou +12V, bobine d'allumage noire '-', masse châssis bleu, sélecteur de courbe jaune
- Type de terre
- Convient aux types de terre négatifs et positifs
- Curve
- Programmable via un câble USB avec le logiciel PC Windows
Pas de commentaires client pour le moment.

