123ignition B21-B23-R-V
De 123/B21-B23-R-V is ontwikkeld voor de Volvo B17, B19, B21, B23 en B230F motoren, dat wil zeggen, niet alleen voor klassieke auto's als de Volvo 242, 244, 245 etc., maar ook voor vrachtauto's en boten met een Volvo Penta motor. De ontsteking bevat ontstekingskrommen voor de B17 - B25 Volvo & Volvo Penta motoren inclusief turbo's. Verder zijn er ontstekingskrommen toegevoegd voor het rijden op LPG/ET 85.
123/B21-B23-R-V verdeler voor de Volvo B17, B19, B21, B23 en B230F motoren
De 123/B21-B23-R-V is ontwikkeld voor de Volvo B17, B19, B21, B23 en B230F (niet de B230E) motoren, dat wil zeggen, niet alleen voor klassieke auto's als de Volvo 242, 244, 245 etc., maar ook voor vrachtauto's en boten met een Volvo Penta motor.
De ontsteking bevat ontstekingskrommen voor de B17 - B25 Volvo & Volvo Penta motoren inclusief turbo's.
Let op: bij een B23E verwacht het brandstofrelais een puls van de verdeler. De aansluiting van het brandstofrelais dat een puls verwacht, dient dan op de minus-kant van de bobine aangesloten te worden.
Eigenschappen van de 123/B21-B23-R-V elektronische ontsteking
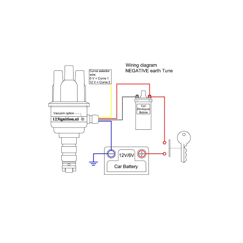
Naast de specifieke curves voor de verschillende motortypen zijn er ontstekingskrommen toegevoegd voor het rijden op LPG/ET 85. De juiste ontstekingskromme wordt ingesteld door een schakelaar aan de zijkant van de behuizing in de juiste stand te zetten. Klaar!
De 123 ontsteking is zo ontworpen dat u deze eenvoudig met een ingebouwd ledje op tijd kunt stellen.
De ontsteking is onder andere uitgerust met:
- Vacuümvervroeging
- Automatisch bijstellen van de contacthoek
- Automatische stroomonderbreking na 1 seconde
- Verlating van het ontstekingstijdstip tijdens het schakelen (gear shift retard)
Aandachtspunten bij de 123/B21-B23-R-V 123ignition
Wanneer u uw motor wilt tunen is er goed nieuws: sinds kort is er ook een 123/TUNE+ versie van dit product beschikbaar! Voor meer informatie zie: 123/TUNE+-4-R-V-B21B23.
Lees s.v.p. de installatiehandleiding zorgvuldig door. In de handleiding staat verdere informatie over de motor- en verdelernummers, het ontstekingstijdstip en de vervroegingscurves, alsmede de specificaties van de 123 ontsteking. Ook de te volgen installatieprocedure van het 123 ontstekingssysteem is stap voor stap beschreven.
Bobine en bougies
Gebruikte bobine's verkeren vaak niet meer in goede staat. Het is namelijk niet mogelijk na te gaan hoe vaak een bobine in het verleden is blootgesteld aan oververhitting. Indien u bij de aanschaf van uw 123 ontsteking tegelijkertijd een nieuwe bobine aanschaft, weet u zeker dat deze bobine niet meer oververhit zal raken. Wij bevelen de 123 Blue Coil aan.
Misschien heeft u ook nieuwe bougies nodig? Bij 123ignitionshop bieden we sinds enige tijd ook de meest gebruikte bougies aan die bij de auto's horen waarvoor 123ignitions zijn ontworpen. Voor uw B23 kunt u wellicht de WR7DC bougies gebruiken of anders een van de andere soorten op de pagina met bougies.
Complete set
De 123/B21-B23-R-V is nu ook in een keer in een volledige set te bestellen:
De set bestaat uit:
- 123/B21-B23-R-V verdeler
- 123 Blue Coil
- set van 4 bougies WR7DC
- bougiekabels
Datasheet
- Cilinders
- 4
- Draairichting
- CW/CCW
- Voltage
- 4,0 - 15,0 volt
- Bereik
- 500 - 10.000 rpm
- Temperatuur
- -30 tot 100 Celsius
- Spoel
- Standaard of hoge energie spoel, primaire spoel NIET onder 1,0 ohm
- Interval
- Constante stroom, volledig automatisch
- Time-out
- Na 1 seconde wordt de stroom uitgeschakeld
- Nauwkeurigheid
- Minder dan 0,5 graden krukas
- Vacuüm
- Met vacuüm, werkt ook zonder wanneer niet aangesloten.
- Max. vervroeging
- 40 graden krukas
- Bedrading
- rood +6V of +12V, zwart '-' bobine
Ontsteking elektronisch
Werkt perfect!
123/B21-B23-R-V for volvo 244 b21a
very good product for classic cars maintenance free after setting, work perfect
123 ignition
Vert good investment.I use It in a Volvo B23 in a boat.
| Curve | Advance starts (rpm crankshaft) |
Max. advance (rpm / degree crankshaft) |
Vacuum advance starts (mmHg) |
Vacuum advance ends (mmHg / degr.) |
Replaces | Remark |
| 0 | 1000 | 4500 / 30,0 | 200 | 400 / 14,0 | BOSCH 0231170134, 0231178010 | VOLVO B21/23 PENTA |
| 1 | 1000 | 3800 / 26,0 | 200 | 400 / 14,0 | BOSCH 0231178016, 0231178017, 0231178018 & 0231178019 | VOLVO AQ131, AQ150 |
| 2 | 1000 | 3000 / 25,0 | 150 | 400 / 14,0 | BOSCH 0231170185, 0231170284 | VOLVO |
| 3 | 1000 | 5000 / 25,0 | 150 | 400 / 14,0 | BOSCH 0231170287 | VOLVO |
| 4 | 1000 | 4000 / 25,0 | 150 | 400 / 14,0 | BOSCH 0231170302 | VOLVO |
| 5 | 1000 | 4000 / 30,0 | 150 | 400 / 10,0 | BOSCH 0231176103 | VOLVO |
| 6 | 1000 | 6300 / 29,0 | 150 | 400 / 14,0 | BOSCH 0237002001, 0237002017 | VOLVO |
| 7 | 1000 | 4800 / 23,0 | 150 | 400 / 14,0 | BOSCH 0237003027, 0237003024 | VOLVO |
| 8 | 1000 | 5000 / 29,0 | 150 | 400 / 14,0 | BOSCH 0237003003, 0237003009 | VOLVO |
| 9 | 1000 | 4000 / 28,0 | 150 | 400 / 14,0 | BOSCH 0237002038 | VOLVO |
| A | 1000 | 4800 / 22,0 | 150 | 400 / 10,0 | BOSCH 0237002007 | VOLVO |
| B | 1000 | 4500 / 30,0 | 200 | 400 / 14,0 | BOSCH 0231170134, 0231178010 | VOLVO LPG/E85 |
| C | 1000 | 4000 / 30,0 | 100 | 300 / 10,0 | BOSCH 0237002001, 0237002017 | VOLVO LPG/E85 |
| D | 1200 | 4800 / 22,0 | 100 | 400 / 20,0 | BOSCH 230FH-MODULE | VOLVO |
| E | --- | |||||
| F | --- |
