123ignition TUNE-Porsche-911-B (USB)
Met een paar muisklikken kunt u de 123/TUNE zelf programmeren met een eigen, optimale vervroegingscurve. Met behulp van de 123/TUNE, een (afgeschermde) USB kabel en een laptop kunt zelf uw motor tunen, of uw motor waarvoor geen standaard verdeler beschikbaar is voorzien van een programmeerbare verdeler.
Model "Porsche-911-B" vervangt verdelers, zoals gebruikt in de Porsche 911 (2.4 - 2.7 en 3.3 liter tot aan september 1977) met een bevestigingsbeugel. Gelieve de afmetingen te vergelijken voordat u bestelt.
LET OP: onze bobines kunnen niet gebruikt worden in combinatie met een HKZ/CDI. Blijf in dat geval alstublieft de huidige bobine gebruiken.
123/TUNE via USB kabel te programmeren 123 ontsteking
Met een paar muisklikken kunt u de 123/TUNE zelf programmeren met een eigen, optimale vervroegingscurve. Met behulp van de 123/TUNE, een (afgeschermde) USB kabel en een laptop kunt zelf uw motor tunen, of uw motor waarvoor geen standaard verdeler beschikbaar is voorzien van een programmeerbare verdeler.
Handig wanneer u ook op gas rijdt: u kunt nog een tweede curve programmeren. De curves kunnen geselecteerd worden door het plaatsen van spanning op de gele draad van de 123/TUNE. Hiermee kunt u, ook zonder een computer bij de hand te hebben, schakelen tussen de twee voorgeprogrammeerde curves.
Model "Porsche-911-B"
Model "Porsche-911-B" vervangt verdelers, zoals gebruikt in Porsche 911 (2.4 - 2.7 en 3.3 liter tot aan september 1977). De 123/Tune-6-R-V-Porsche-911-B voor 6 cilinders wordt geleverd met een rechte kap en een bevestigingsbeugel.
Eigenschappen van de 123/TUNE-6-R-V-Porsche-911-B
- Draairichting is met de klok mee (CW)
- Voor 6 Volt en/of 12 Volt auto's (autodetect)
- Voor positief en negatief geaarde auto's
- Variabele contacthoek (autodetect)
- Bobine stroomloos na 1 seconde (autodetect)
- Twee toerenafhankelijke vervroegingscurves (500 tot 8000 rpm)
- Twee vacuümvervroeging- en boost-retard (voor turbo motoren) curves (0 tot 200 kPa of -30 inHg tot +15 psi) waarbij u zelf de startpunten kunt instellen van het toerental waarboven de vacuümvervroeging actief wordt (MAP-start fields)
- Twee toerental begrenzers (geavanceerde willekeurige vonk onderdrukking)
- Real-time tuning door middel van het gebruik van een notebook (ideaal voor gebruik bij een vermogens-testbank)
- Rpm-stopwatch (ideaal voor tuning wanneer je de weg zelf gebruikt ipv een vermogens-testbank)
- Zelf-geprogrammeerde curves kunnen gemakkelijk via internet uitgewisseld worden (ideaal om met andere liefhebbers op zoek te gaan naar de meest ideale vervroegingscurve)!
Wat u door middel van de software middels een elektronisch "dashboard" kunt aflezen
- Temperatuur meter (u kunt kiezen voor een weergave in graden Celsius of Fahrenheit)
- Onder- of bovendruk in het inlaatspruitstuk (weergave in Bar of inches Hg/Psi)
- Toerenteller (0 tot 8000 krukas omwentelingen per minuut)
- Meter die de energie door de bobine aangeeft (primaire bobine stroom)
- Meter van de totale vervroeging (in krukas-graden-vervroeging)
Aandachtspunten voordat u bestelt
Let op: Porsche 3.0 SC heeft een ander tandwiel en draait CCW, deze 123 ignition past hierbij niet.
U kunt deze ontsteking 123 gebruiken met het 3-draads HKZ-systeem. De toerenteller blijft normaal werken.
LET OP: onze bobines kunnen niet gebruikt worden in combinatie met een HKZ/CDI. Blijf in dat geval alstublieft de huidige bobine gebruiken.
We raden u aan om de afmetingen van de 123/TUNE grondig te vergelijken met die van uw originele verdeler EN om de installatie handleiding zorgvuldig te lezen voordat u uw bestelling plaatst! In de installatiehandleiding staat verdere informatie over het inbouwen en installeren. Aan de hand van een aantal voorbeelden wordt stap voor stap beschreven hoe u de 123/TUNE kunt programmeren.
De laatste software versie van de 123/TUNE kunt u downloaden via www.123ignition.com.
De minimale systeem vereisten zijn:
• MS Windows XP
• 1 gigahertz (GHz) processor
• 256 megabytes (MB) RAM
• Vrije (gevoede!) USB poort
• Afgeschermde USB kabel met mini-B stekker (male) – apart te bestellen
USB kabel, bobine en bougies
NB: de 123/TUNE wordt geleverd ZONDER afgeschermde USB-kabel. De fabrikant raadt aan om hiervoor een Belkin kabel te gebruiken. Natuurlijk kunt u deze ook bij ons bestellen: heel eenvoudig door onderaan de pagina bij ‘Accessoires’ de kabel toe te voegen aan uw winkelwagen.
Op dezelfde manier kunt u bij ons een nieuwe bobine aanschaffen. Gebruikte bobines verkeren namelijk vaak niet meer in goede staat. Het is niet mogelijk na te gaan hoe vaak een bobine in het verleden is blootgesteld aan oververhitting. Indien u bij de aanschaf van uw 123 ontsteking tegelijkertijd een nieuwe bobine aanschaft, weet u zeker dat deze bobine niet meer oververhit zal raken. Voor het gebruik bij een 6 cilinder raden wij een High Energy #2020 Coil aan.
LET OP: onze bobines kunnen niet gebruikt worden in combinatie met een HKZ/CDI. Blijf in dat geval alstublieft de huidige bobine gebruiken.
Misschien heeft u ook nieuwe bougies nodig? In deze 123ignitionshop bieden we ook de meest gebruikte bougies aan die bij de auto's horen waarvoor 123ignitions zijn ontworpen. Zie de pagina met bougies.
Complete set
De 123/TUNE-Porsche-911-B (USB) is nu ook in een keer in de volgende set te bestellen:
De set bestaat uit:
- 123/TUNE-Porsche-911-B (USB)
- High Energy #2020 bobine
- Bougiekabels
- 6 Bougies W3CC
Datasheet
- Cilinders
- 6
- Draairichting
- CW
- Voltage
- 4,0 - 15,0 volt
- Bereik
- 500 - 10.000 rpm
- Temperatuur
- -30 tot 100 Celsius
- Spoel
- Standaard of hoge energie spoel, primaire spoel NIET onder 1,0 ohm
- Interval
- Constante stroom, volledig automatisch
- Time-out
- Na 1 seconde wordt de stroom uitgeschakeld
- Nauwkeurigheid
- Minder dan 0,5 graden krukas
- Vacuüm
- Programmeerbaar: -20 / +20 graden
- Max. vervroeging
- 40 graden krukas
- Bedrading
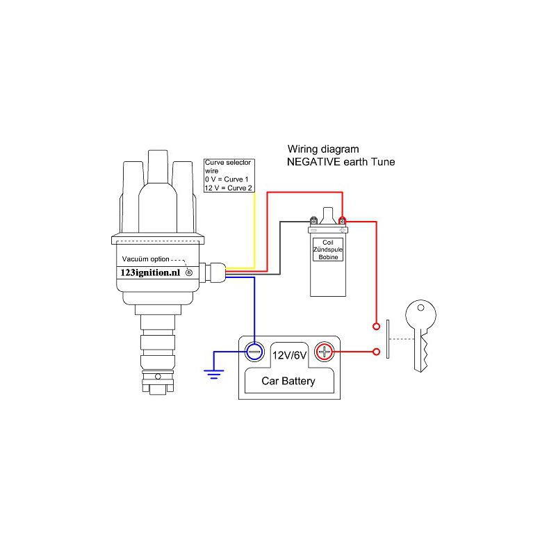
- rood +6V of +12V, zwart '-' bobine, blauw chassis grond, geel curve selector
- Aardtype
- Geschikt voor negatieve en positieve aardtypes
- Kromme
- Programmeerbaar via USB kabel met Windows PC Software
No customer reviews for the moment.

