123ignition TUNE-Porsche-911-B (USB)
Programming your ideal advance curve? The 123/TUNE ignition enables you to do so. Just using a (shielded) USB cable and notebook. So if you want to tune your engine or have an engine that does not have a standard distributor available... the 123/TUNE can help you out. You can easily setup the 123/TUNE to fulfill even the most demanding requirements.
The "Porsche-911-B" model will replace the distributor as used in Porsche 911 (2.4 - 2.7 and 3.3 liter, up to september '77 with a mounting bracket. Please check dimensions and installation manual before ordering.
WARNING: Our coils cannot be used in combination with an HKZ/CDI. In that case, please continue using your current coil.
123/TUNE the USB programmable electronic 123ignition
Programming your ideal advance curve? The 123/TUNE ignition enables you to do so. Just using a (shielded) USB cable and notebook. So if you want to tune your engine or have an engine that does not have a standard distributor available... the 123/TUNE can help you out. You can easily setup the 123/TUNE to fulfill even the most demanding requirements.
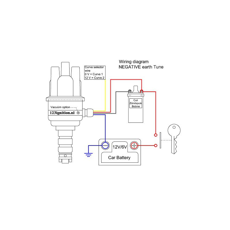
The unit offers two sets of curves that can be selected by placing power on the yellow wire from the 123/TUNE. By using this function you will be able to switch between two pre-programmed curves without having to use a computer. Particularly apt when you are (also) driving on LPG.
Model "Porsche-911-B"
The "Porsche-911-B" model replaces distributors used in Porsche 911 (2.4 - 2.7 and 3.3 liter, up to september '77 with a mounting bracket (please check dimensions before ordering). The 123/TUNE-6-R-V-Porsche-911-B for 6 cylinders comes with an upright cap.
Features of the 123/TUNE-6-R-V-Porsche-911-B
- Rotation CW
- For 6 Volt and/or 12 Volt cars (autodetect)
- For positive and negative earthed cars
- Variable dwell constant current, fully automatically (autodetect)
- Coil current protection time-out after 1 second (autodetect)
- Two centrifugal advance curves (500 to 8000 rpm)
- Two vacuum-advance and boost-retard curves (0 to 200 kPa or -30 inHg to +15 psi) with MAP-start fields
- Two rev. limiters (advanced random spark stealing)
- Real-time tuning under keyboard-control (ideal for working on a rolling road)
- Rpm-stopwatch (ideal for tuning using the road itself as a rolling road)
- Luxurious import-from-file and export-to-file (curves can easily be exchanged over the internet)
While using the software an electronic 'dashboard' will show you
- Temperature gauge (selectable in degrees Celsius or Fahrenheit)
- Manifold pressure (selectable in Bar or inches Hg/Psi)
- Tachometer (0 to 8000 rpm crankshaft)
- Spark-energy gauge (primary coil current)
- Total-advance gauge (in degrees crankshaft)
Please note before ordering
Note: Porsche 3.0 SC has a different pinon and runs CCW, this 123 ignition does not fit.
You can use this ignition 123 with the 3-wire HKZ system. The tachometer continues to operate normally.
WARNING: Our coils cannot be used in combination with an HKZ/CDI. In that case, please continue using your current coil.
We strongly advise you to check the dimensions of the 123/TUNE with the original distributor cap AND to carefully read the installation manual before you order! In the installation manual you'll find more information and a few examples with a step by step explanation on how to install and program the 123/TUNE.
You can download the latest version of the 123/TUNE software here: www.123ignition.com. The minimum system requirements for the 123-tune software are:
• MS Windows XP
• 1 gigahertz (GHz) processor
• 256 megabytes (MB) RAM
• Free (powered!) USB port
• Shielded USB cable with mini-B plug (male) – also available in our webshop
USB cable, coil and spark plugs
Please note: the 123/TUNE will be delivered WITHOUT shielded USB-cable. The manufacturer advises you to use a Belkin cable, of course you can also order this here. Below you’ll find a picture from the cable at ‘Accessories’ and you can easily add it to your cart.
In the same way you can easily order a new coil. Although used coils all look alike, they should be viewed with suspicion since one cannot tell from the outside whether and how often they were exposed to overheating in the past. Installing the 123ignition system will ensure that the coil will never overheat again in the future. We recommend the High Energy #2020 Coil.
WARNING: Our coils cannot be used in combination with an HKZ/CDI. In that case, please continue using your current coil.
Perhaps you will also need new spark plugs? At 123ignitionshop we’ve added the spark plugs most commonly used in addition to the 123ignitions we offer. See: the spark plugs list.
Complete set
The 123/TUNE-Porsche-911-B (USB) can now also be ordered in one go in the following set:
The set consists of:
- 123/TUNE-Porsche-911-B (USB)
- High Energy #2020 coil
- Spark plug wires
- 6 Spark plugs W3CC
Data sheet
- Cylinders
- 6
- Direction of rotation
- CW
- Voltage
- 4,0 - 15,0 volts
- Range
- 500 - 10.000 rpm
- Temperature
- -30 to 100 Celsius
- Coil
- Stock or high energy coil, primary coil NOT below 1,0 ohm
- Dwell
- Constant current, fully automatic
- Time-out
- After 1 second current is switched off
- Accuracy
- Less than 0,5 degr. crankshaft
- Vacuum
- Programmable: -20 / +20 degrees.
- Max. Advance
- 40 degr. crankshaft
- Wiring
- red +6V or +12V, black '-' ignition coil, blue chassis ground, yellow curve selector
- Earth type
- Suitable for negative and positive earth systems
- Curve
- Programmable via USB cable with Windows PC Software
No customer reviews for the moment.

