123ignition TUNE+ 4-R-V-D-IE (Bluetooth), met injectie, vervangt Bosch verdelers in Citroën en Alfa
Via uw telefoon of tablet zelf uw motor tunen? De TUNE+ is de eerste elektronische ontsteking ter wereld die u zelf kunt instellen door middel van een draadloze verbinding met uw iOS en Android Bluetooth 4.0 apparaten. De gratis App maakt het mogelijk om de ontstekingscurve te wijzigen, een elektronisch dashboard te tonen en uw auto te beveiligen door middel van start blokkering.
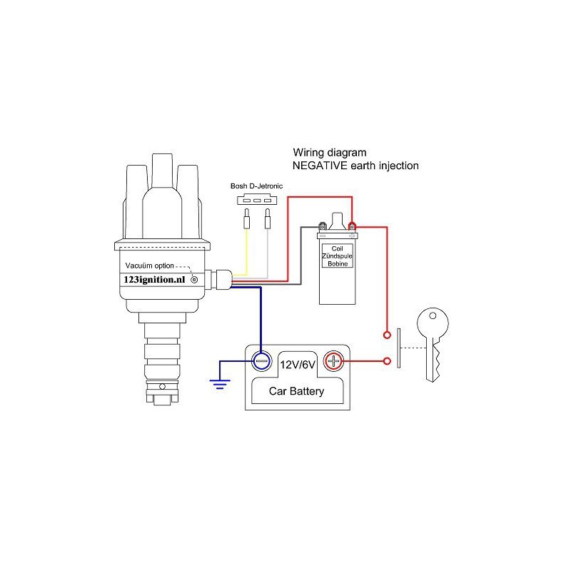
De 123/TUNE+ 4-R-V-D-IE is ontwikkeld om de originele Bosch ZV11/7 A 3 A verdeler te vervangen. Geschikt voor een Bosch D-jetronic injectiesysteem (een D-jetronic heeft 2 extra contactpunten voor het aansturen van de injectie).
123/TUNE+ draadloos programmeren
Na het installeren van de gratis app en het maken van een Bluetooth verbinding kunt u de 123/TUNE+ via uw telefoon of tablet zelf instellen met een eigen, optimale vervroegingscurve.
De app maakt het mogelijk om de ontstekingscurve te wijzigen, een elektronisch dashboard te tonen en uw auto te beveiligen door middel van start blokkering.
Model "R-V-D-IE" voor Bosch verdelers met D-Jetronic injectie
De 123/TUNE+ 4-R-V-D-IE is ontwikkeld om de originele Bosch ZV11/7 A 3 A verdeler te vervangen. Geschikt voor een Bosch D-jetronic injectiesysteem (een D-jetronic heeft 2 extra contactpunten voor het aansturen van de injectie).
De 123/TUNE+ 4-R-V-D-IE ziet eruit als de originele Bosch behuizing met een Bosch kap en rotor. Twee extra uitgangen voorzien de injectiecomputer van de juiste signalen.
Eigenschappen van de 123/TUNE+ 4-R-V-D-IE
- Geschikt voor zowel een draairichting die met de klok mee gaat (CW), als tegen de klok in (CCW) (auto detect)
- Voor 6 Volt of 12 Volt auto's (auto detect)
- Voor auto's met plus of met min aan massa
- Variabele contacthoek (auto detect)
- Bobine stroomloos na 1 seconde (auto detect)
- Vervroegingscurve (500 to 8000 rpm)
- Vacuüm-vervroeging & boost-retard curve (0 tot 200 kPa of -30 inHg tot +15 psi)
- Toerental grens (MAP-start) waarbij vacuüm-vervroeging begint
- Toerenbegrenzing (advanced random spark stealing)
- Real-time tuning vanaf uw smartphone (ideaal voor het werken met een rollerbank)
Wat u op uw telefoon of tablet kunt zien tijdens het rijden
- Temperatuur meter (u kunt kiezen voor een weergave in graden Celsius of Fahrenheit)
- Onder- of bovendruk in het inlaatspruitstuk (weergave in Bar of inches Hg/Psi)
- Toerenteller (0 tot 8000 krukas omwentelingen per minuut)
- Meter die de energie door de bobine aangeeft (primaire bobine stroom)
- Meter van de totale vervroeging (in krukas-graden-vervroeging)
- Accuspanning
- GPS speed
Aandachtspunten bij de TUNE+
We raden u aan om de afmetingen van de 123/TUNE+ grondig te vergelijken met die van uw originele verdeler EN om de installatie handleiding zorgvuldig te lezen voordat u uw bestelling plaatst! In de installatiehandleiding staat verdere informatie over het inbouwen en installeren. Aan de hand van een aantal voorbeelden wordt stap voor stap beschreven hoe u de 123/TUNE+ kunt programmeren.
De TUNE+ werkt met Apple iOS en Android apparaten die beschikken over Bluetooth 4.0.
Bobine en bougies
Gebruikte bobines verkeren vaak niet meer in goede staat. Het is niet mogelijk na te gaan hoe vaak een bobine in het verleden is blootgesteld aan oververhitting. Indien u bij de aanschaf van uw 123 ontsteking tegelijkertijd een nieuwe bobine aanschaft, weet u zeker dat deze bobine niet meer oververhit zal raken. Natuurlijk kunt u deze ook eenvoudig bij ons bestellen, wij adviseren de 123 Red Coil.
Misschien heeft u ook nieuwe bougies nodig? In deze 123ignitionshop bieden we ook de meest gebruikte bougies aan die bij de auto's horen waarvoor 123ignitions zijn ontworpen. Zie de pagina met bougies.
Datasheet
- Cilinders
- 4
- Draairichting
- CW/CCW
- Voltage
- 4,0 - 15,0 volt
- Bereik
- 500 - 10.000 rpm
- Temperatuur
- -30 tot 100 Celsius
- Spoel
- Standaard of hoge energie spoel, primaire spoel NIET onder 1,0 ohm
- Interval
- Constante stroom, volledig automatisch
- Time-out
- Na 1 seconde wordt de stroom uitgeschakeld
- Nauwkeurigheid
- Minder dan 0,5 graden krukas
- Vacuüm
- Programmeerbaar: -20 / +20 graden
- Max. vervroeging
- 40 graden krukas
- Bedrading
- rood +6V of +12V, zwart '-' bobine, blauw chassis grond
- Aardtype
- Geschikt voor negatieve en positieve aardtypes
- Kromme
- Draadloos programmeerbaar met Android of iOS app
No customer reviews for the moment.

