123ignition TUNE+ 4-R-V-Renault (Bluetooth)
Nu ook voor de Renault/Cleon motoren beschikbaar:
Via uw telefoon of tablet zelf uw motor tunen? De TUNE+ is de eerste elektronische ontsteking ter wereld die u zelf kunt instellen door middel van een draadloze verbinding met uw iOS en Android Bluetooth 4.0 apparaten. De gratis app maakt het mogelijk om de ontstekingscurve te wijzigen, een elektronisch dashboard te tonen en uw auto te beveiligen door middel van start blokkering.
Model "Renault" vervangt de meeste verdelers, die speciaal gericht zijn op de "Cleon" motoren zoals die gebruikt zijn in de Renault 4, Renault 5, 4F4, 4F6, Renault Estafette en de DAF 55.
123/TUNE+ draadloos programmeren
Na het installeren van de gratis app en het maken van een Bluetooth verbinding kunt u de 123/TUNE+ via uw telefoon of tablet zelf instellen met een eigen, optimale vervroegingscurve.
De app maakt het mogelijk om de ontstekingscurve te wijzigen, een elektronisch dashboard te tonen en uw auto te beveiligen door middel van start blokkering.
Model 'Renault' voor Renault/Cleon motoren
Model "Renault" vervangt de meeste verdelers, die speciaal gericht zijn op de "Cleon" motoren zoals die gebruikt zijn in de Renault 4, Renault 5, 4F4, 4F6, Renault Estafette en de DAF 55.
Eigenschappen van de 123/TUNE+ 4-R-V-Renault
- Geschikt voor zowel een draairichting die met de klok mee gaat (CW), als tegen de klok in (CCW) (auto detect)
- Voor 6 Volt of 12 Volt auto's (auto detect)
- Voor auto's met plus of met min aan massa
- Variabele contacthoek (auto detect)
- Bobine stroomloos na 1 seconde (auto detect)
- Vervroegingscurve (500 to 8000 rpm)
- Vacuümvervroeging & boost-retard curve (0 tot 200 kPa of -30 inHg tot +15 psi)
- Toerental grens (MAP-start) waarbij vacuümvervroeging begint
- Toerenbegrenzing (advanced random spark stealing)
- Real-time tuning vanaf uw smartphone (ideaal voor het werken met een rollerbank)
Wat u op uw telefoon of tablet kunt zien tijdens het rijden
- Temperatuur meter (u kunt kiezen voor een weergave in graden Celsius of Fahrenheit)
- Onder- of bovendruk in het inlaatspruitstuk (weergave in Bar of inches Hg/Psi)
- Toerenteller (0 tot 8000 krukas omwentelingen per minuut)
- Meter die de energie door de bobine aangeeft (primaire bobine stroom)
- Meter van de totale vervroeging (in krukas-graden-vervroeging)
- Accuspanning
- GPS speed
Aandachtspunten bij de TUNE+
We raden u aan om de afmetingen van de 123/TUNE+ grondig te vergelijken met die van uw originele verdeler EN om de installatie handleiding zorgvuldig te lezen voordat u uw bestelling plaatst! In de installatiehandleiding staat verdere informatie over het inbouwen en installeren. Aan de hand van een aantal voorbeelden wordt stap voor stap beschreven hoe u de 123/TUNE+ kunt programmeren.
De TUNE+ werkt met Apple iOS en Android apparaten die beschikken over Bluetooth 4.0.
Bobine en bougies
Gebruikte bobines verkeren vaak niet meer in goede staat. Het is niet mogelijk na te gaan hoe vaak een bobine in het verleden is blootgesteld aan oververhitting. Het aanschaffen van het 123systeem zorgt ervoor dat de bobine niet meer oververhit raakt. Natuurlijk kunt u deze ook bij ons bestellen: heel eenvoudig door onderaan de pagina bij ‘Accessoires’ de (aanbevolen) bobine toe te voegen aan uw winkelwagen.
Misschien heeft u ook nieuwe bougies nodig? In deze 123ignitionshop bieden we ook de meest gebruikte bougies aan die bij de auto's horen waarvoor 123ignitions zijn ontworpen. Zie de pagina met bougies.
Datasheet
- Cilinders
- 4
- Draairichting
- CW/CCW
- Voltage
- 4,0 - 15,0 volt
- Bereik
- 500 - 10.000 rpm
- Temperatuur
- -30 tot 100 Celsius
- Spoel
- Standaard of hoge energie spoel, primaire spoel NIET onder 1,0 ohm
- Interval
- Constante stroom, volledig automatisch
- Time-out
- Na 1 seconde wordt de stroom uitgeschakeld
- Nauwkeurigheid
- Minder dan 0,5 graden krukas
- Vacuüm
- Programmeerbaar: -20 / +20 graden
- Max. vervroeging
- 40 graden krukas
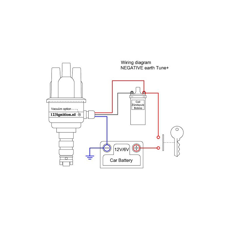
- Bedrading
- rood +6V of +12V, zwart '-' bobine, blauw chassis grond
- Aardtype
- Geschikt voor negatieve en positieve aardtypes
- Kromme
- Draadloos programmeerbaar met Android of iOS app
Goed product! Alleen zou de app wat verbeterd kunnen worden.
Always on mogelijkheid. De telefoon vliegt vaak in stand-by, dit kun je wel anders aanzetten volgens mij maar een optie inbouwen in de app zou fijn zijn.
Ook is het prettig dat er een mogelijkheid is om alle curves te zien van de verschillende motoren. Nu achteraf via een werkplaats handboek de juiste curves gevonden. Ook dien je de 123 op tijd te zetten! Het lampje geeft niet het exacte ontstekingstijdstip weer.
inbouwen !n R4
Kan de curve niet aanpassen omdat er nog geen Andoid app is. Niet leuk, omdat ik nergens kan achterhalen welke curve standaard bij levering is ingesteld. Inbouwen in R4 1108cc 688 D7 12 van 1985 ging vlot. Eerst controle en markeren positie "Magneti Marelli" verdeler. Dan "123/Tune+ 4-R-V-Renault (bluetooth)" monteren met nieuwe bobine en bougiekabels. Motor start onmiddellijk en loopt soepel. Afkoppelen vacuümvervroeging darmpje en afsluiten darmpje en slangpilaar op 123ignition. Afstellen voorontsteking met stroboscooplamp t.o.v. TDC markering (Top Dead Center) bij stationair toerental. Afstellen electrodeafstand bougies naar 0,5 mm met voelermaat doet de motor vlotter lopen. Ik tank momenteel "Competition 102" en wil de curve kunnen optimaliseren. Ik tank soms ook benzine "octaanklasse 98" met scheutje additief. DUS, IK WIL ASAP DE ANDROID APP om de vervroeging in te kunnen stellen. Ben geen Apple aanhanger (te duur). Ben wel zeer tevreden over de werking van de ontsteking. Aan de handleiding heb je niet veel, enkel het aansluitschema bekeken. Er is geen info over het instellen van de curve. Kan deze enkel op youtube vinden "Lesson 123 Tune x". Waar "x" gaat van "1" tot "5". De lessen draaien via USB denk ik op WinXP computer. Wat meer info voor ron 95, ron 98, ron 102 en LPG zou nuttig zijn. RON zegt iets over klopvastheid, maar is niet noodzakelijk evenredig met ontbrandingssnelheid denk ik. Info over brandstoffen zou ook leuk zijn. Zal eens op het forum moeten kijken.
Johan - België

