123ignition B21-B23-R-V juego completo
En lugar de 639,00 €
Ordena el juego completo de una vez para su DTR motor: un 123/B21-B23-R-V distribuidor + bobina de encendido + juego de 4 bujías + cables de bujía.
Completo encendido electrónico juego para el Volvo B17, B19, B21, B23 y B230F motores
Ordena el juego completo de una vez para su DTR motor: un 123/B21-B23-R-V distribuidor + bobina de encendido + juego de 4 bujías + cables de bujía.
Contenido del 123/B21-B23-R-V distribuidor juego
El 123/B21-B23-R-V es desarrollado para el Volvo B17, B19, B21, B23 y B230F motores, no sólo para coches clásicos como el Volvo 242, 244, 245, sino también para camiones y barcos con un Volvo Penta motor. El encendido incluye curvas de ignición para los B17 - B25 Volvo y Volvo pinta motores incluyendo Turbo. Además hay curvas de encendido para conducir en 85 LPG/ET.
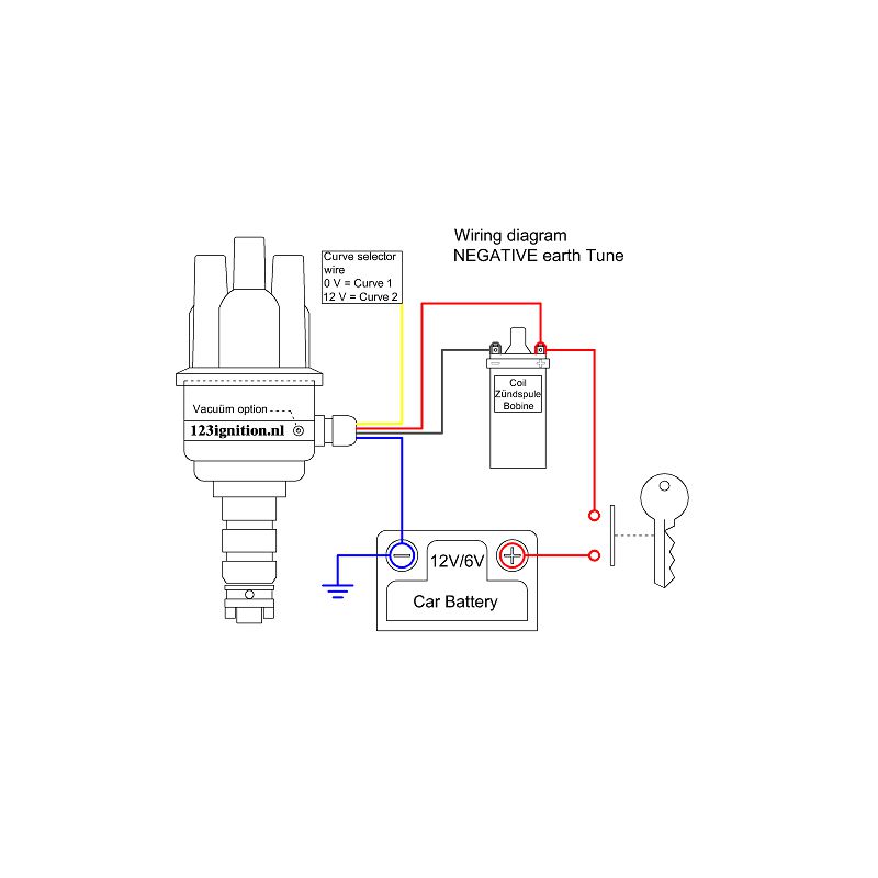
Nota: Con un B23E, el relé de combustible espera un pulso del distribuidor. La conexión del relé de combustible que espera un pulso debe conectarse al polo negativo de la bobina.
Debido a que las bobinas de encendido antiguas a menudo se sobrecalientan, se incluye 123 Blue Coil en este conjunto. También se ha agregado un juego de 4 bujías y se han agregado nuevos cables para bujías.
Puntos cerrados de el 123/B21-B23-R-V encendido electrónico
Por favor, compruebe si la longitud de los cables de encendido y el tipo bujías con usted necesita para su coche.
Lea atentamente el manual de instalación. El manual contiene más información sobre los números de motor y distribuidor, el tiempo de encendido y las curvas de avance, así como las especificaciones del encendido 123. El procedimiento de instalación del sistema de encendido 123 también es paso a paso.
Ficha técnica
- Cilindros
- 4
- Dirección de rotación
- CW/CCW
- Voltaje
- 4,0 - 15,0 voltios
- Distancia
- 500 - 10.000 rpm
- Temperatura
- -30 a 100 Celsius
- Bobina
- Bobina estándar o de alta energía, bobina primaria NO inferior a 1,0 ohmios
- Residir
- Corriente constante, completamente automática
- Se acabó el tiempo
- Después de 1 segundo se desconecta la corriente
- precisión
- Menos de 0,5 degr. cigüeñal
- Vacío
- Con vacío, también funciona sin cuando no está conectado.
- Avance máximo
- Cigüeñal de 40 grados
- Alambrado
- rojo + 6V o + 12V, negro bobina '-'
kit de encendido
estoy interesado envios a perú
