123ignition TUNE-Porsche-911-S (USB)
Con unos pocos clics, puede programar el 123/TUNE usted mismo con su propia curva de avance óptima. Con el 123/TUNE, un cable USB (blindado) y una computadora portátil, puede ajustar el motor usted mismo o su motor para el cual no hay un distribuidor estándar disponible con un distribuidor programable.
El modelo "Porsche-911-S" reemplaza a los distribuidores, como se usa en el Porsche 911 (2.0 - 2.2 litros hasta septiembre de 1977). Por favor compare las dimensiones antes de ordenar.
ATENCIÓN: Nuestras bobinas no pueden usarse en combinación con un HKZ/CDI. En ese caso, siga utilizando su bobina actual.
123/TUNE programable a través del cable USB 123 de encendido
Con unos pocos clics, puede programar el 123/TUNE usted mismo con su propia curva de avance óptima. Con el 123/TUNE, un cable USB (blindado) y una computadora portátil, puede ajustar el motor usted mismo o su motor para el cual no hay un distribuidor estándar disponible con un distribuidor programable.
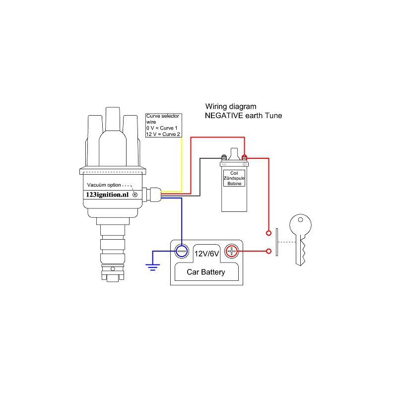
Útil cuando también estás en gas: puedes programar una segunda curva. Las curvas pueden seleccionarse colocando voltaje en el cable amarillo del 123/TUNE. Esto le permite cambiar entre las dos curvas preprogramadas, incluso sin tener una computadora a mano.
Modelo "Porsche-911-S"
El modelo "Porsche-911-S" reemplaza a los distribuidores, como se usa en Porsche 911 (2.0 - 2.2 litros hasta septiembre de 1977). El 123/Tune-6-R-V-Porsche-911-S para 6 cilindros viene con una tapa recta.
Propiedades de la 123 / TUNE-6-R-V-Porsche-911-S
- Gira en el sentido de las agujas del reloj (CW)
- Para automóviles de 6 voltios y/o 12 voltios (autodetección)
- Para carros a tierra positivos y negativos.
- Ángulo de contacto variable (autodetect)
- Bobina de encendido desenergizada después de 1 segundo (autodetectar)
- Dos curvas de avance dependientes de la velocidad (500 a 8000 rpm)
- Dos curvas de avance y refuerzo de vacío (para motores turbo) (0 a 200 kPa o -30 inHg a +15 psi) donde puede configurar los puntos de inicio de la velocidad por encima de los cuales se activa el avance de vacío (campos de inicio de MAP)
- Dos limitadores de velocidad (supresión de chispa aleatoria avanzada)
- Ajuste en tiempo real mediante el uso de un portátil (ideal para usar con un banco de pruebas de potencia)
- Rpm-cronómetro (ideal para sintonizar cuando usa la carretera en lugar de un banco de pruebas de potencia)
- Las curvas autoprogramadas se pueden intercambiar fácilmente a través de Internet (ideal para buscar la curva de avance más ideal con otros aficionados)
Lo que puede leer a través del software a través de un "tablero" electrónico:
- Medidor de temperatura (puede elegir una pantalla en grados Celsius o Fahrenheit)
- Presión más baja o más alta en el colector de admisión (visualización en bar o pulgadas Hg/Psi)
- Tacómetro (0 a 8000 revoluciones de cigüeñal por minuto)
- Medidor que indica la energía a través de la bobina de encendido (bobina de encendido primaria)
- Medidor del avance total (en cigüeñal-grados-avance)
Importante saber antes de ordenar
Puede utilizar este encendido 123 con el sistema HKZ de 3 cables. El tacómetro sigue funcionando normalmente.
ATENCIÓN: Nuestras bobinas no pueden usarse en combinación con un HKZ/CDI. En ese caso, siga utilizando su bobina actual.
Le recomendamos que compare a fondo las dimensiones del 123/TUNE con las de su distribuidor original Y que lea detenidamente el manual de instalación antes de realizar su pedido. El manual de instalación contiene más información sobre la instalación y la instalación. Varios ejemplos describen paso a paso cómo programar el 123/TUNE.
La última versión del software del 123/TUNE se puede descargar a través de www.123ignition.com. Los requisitos mínimos del sistema son:
• MS Windows XP
• Procesador de 1 gigahercios (GHz)
• 256 megabytes (MB) de RAM
• Puerto USB libre (alimentado!)
• Cable USB blindado con conector mini-B (macho): se debe pedir por separado
Cable USB, bobina de encendido y bujías
Nota: el 123/TUNE se suministra SIN cable USB blindado. El fabricante recomienda usar un cable Belkin para esto. Por supuesto, también puede solicitarlo a nosotros: simplemente agregue el cable a su carrito de compras en la parte inferior de la página en "Accesorios".
De la misma manera usted puede comprar una bobina nueva con nosotros. Las bobinas de encendido usadas a menudo ya no están en buenas condiciones. No es posible verificar con qué frecuencia una bobina de encendido ha estado expuesta a un sobrecalentamiento en el pasado. Si compra una nueva bobina al mismo tiempo que compra su encendido 123, puede estar seguro de que esta bobina de encendido ya no se sobrecalentará. Para usar con un cilindro de 6 cilindros, recomendamos un High Energy #2020 Coil.
ATENCIÓN: Nuestras bobinas no pueden usarse en combinación con un HKZ/CDI. En ese caso, siga utilizando su bobina actual.
Tal vez usted también necesita nuevas bujías? En este 123ignitionshop también ofrecemos las bujías más usadas que pertenecen a los autos para los cuales se diseñaron 123ignitions. Vea la página de bujías.
Juego completo
El 123/TUNE-Porsche-911-S (USB) ahora también se puede pedir de una vez en el siguiente conjunto:
El conjunto consta de:
- 123/TUNE-Porsche-911-S (USB)
- Bobina de encendido High Energy #2020
- Cables de bujía
- 6 bujías NGK BR9
Ficha técnica
- Cilindros
- 6
- Dirección de rotación
- CW
- Voltaje
- 4,0 - 15,0 voltios
- Distancia
- 500 - 10.000 rpm
- Temperatura
- -30 a 100 Celsius
- Bobina
- Bobina estándar o de alta energía, bobina primaria NO inferior a 1,0 ohmios
- Residir
- Corriente constante, completamente automática
- Se acabó el tiempo
- Después de 1 segundo se desconecta la corriente
- precisión
- Menos de 0,5 degr. cigüeñal
- Vacío
- Programable: -20 / +20 grados.
- Avance máximo
- Cigüeñal de 40 grados
- Alambrado
- red +6V of +12rojo + 6V o + 12V, bobina de encendido negra '-', tierra del chasis azul, selector de curva amarilloV, black - coil, blue chassis ground, yellow curve selector
- Tipo de tierra
- Adecuado para tipos de tierra negativos y positivos
- Curva
- Programable mediante cable USB con software para PC con Windows
No hay ninguna opinión por el momento.

