123ignition TUNE-4-A-V-FIAT-TC (USB) para Fiat 124 y 131
El 123/TUNE-4-A-V-FIAT-TC está diseñado para reemplazar el distribuidor mecánico (montado en la parte superior de la culata) en los populares motores Fiat con árboles de levas dobles. Puede programar las curvas usted mismo, haciendo que este producto sea muy adecuado para la afinación.
123/TUNE programable a través del cable USB 123 de encendido
Con unos pocos clics, puede programar el 123/TUNE usted mismo con su propia curva de avance óptima. Con el 123/TUNE, un cable USB (blindado) y una computadora portátil, puede ajustar el motor usted mismo o su motor para el cual no hay un distribuidor estándar disponible con un distribuidor programable.
Útil cuando también estás en gas: puedes programar una segunda curva. Las curvas pueden seleccionarse colocando voltaje en el cable amarillo del 123/TUNE. Esto le permite cambiar entre las dos curvas preprogramadas, incluso sin tener una computadora a mano.
Modelo "FIAT-TC" para distribuidores Fiat
El modelo "FIAT-TC" reemplaza a la mayoría de los distribuidores mecánicos (montados en la parte superior de la culata) en los populares motores Fiat con árboles de levas dobles. Este producto es adecuado en cualquier caso para el Fiat 124 (Spider) y el Fiat 131.
Propiedades de la 123/TUNE-4-A-V-FIAT-TC
- Adecuado tanto para la rotación en el sentido de las agujas del reloj (CW) y en sentido antihorario (CCW) (autodetectar)
- Para automóviles de 6 voltios y/o 12 voltios (autodetección)
- Para carros a tierra positivos y negativos.
- Ángulo de contacto variable (autodetect)
- Bobina de encendido desenergizada después de 1 segundo (autodetectar)
- Dos curvas de avance dependientes de la velocidad (500 a 8000 rpm)
- Dos curvas de avance y refuerzo de vacío (para motores turbo) (0 a 200 kPa o -30 inHg a +15 psi) donde puede configurar los puntos de inicio de la velocidad por encima de los cuales se activa el avance de vacío (campos de inicio de MAP)
- Dos limitadores de velocidad (supresión de chispa aleatoria avanzada)
- Ajuste en tiempo real mediante el uso de un portátil (ideal para usar con un banco de pruebas de potencia)
- Rpm-cronómetro (ideal para sintonizar cuando usa la carretera en lugar de un banco de pruebas de potencia)
- Las curvas autoprogramadas se pueden intercambiar fácilmente a través de Internet (ideal para buscar la curva de avance más ideal con otros aficionados)
Lo que puede leer a través del software a través de un "tablero" electrónico
- Medidor de temperatura (puede elegir una pantalla en grados Celsius o Fahrenheit)
- Presión más baja o más alta en el colector de admisión (visualización en bar o pulgadas Hg/Psi)
- Tacómetro (0 a 8000 revoluciones de cigüeñal por minuto)
- Medidor que indica la energía a través de la bobina de encendido (bobina de encendido primaria)
- Medidor del avance total (en cigüeñal-grados-avance)
Manual de instalación 123/TUNE
Le recomendamos que compare a fondo las dimensiones del 123/TUNE con las de su distribuidor original Y que lea detenidamente el manual de instalación antes de realizar su pedido. El manual de instalación contiene más información sobre la instalación y la instalación. Varios ejemplos describen paso a paso cómo programar el 123/TUNE.
Nota: la cubierta del distribuidor correcta para el 123/FIAT-TC-4-A-V tiene Bosch No. 1.235.522.332.
La última versión del software del 123/TUNE se puede descargar a través de www.123ignition.com. Los requisitos mínimos del sistema son:
• MS Windows XP
• Procesador de 1 gigahercios (GHz)
• 256 megabytes (MB) de RAM
• Puerto USB libre (alimentado!)
• Cable USB blindado con conector mini-B (macho): se debe pedir por separado
Cable USB, bobina el encendido y bujías.
Nota: el cable 123/TUNE viene SIN SIN Ciego. El fabricante recomienda utilizar un cable de Belkin. Esto también se puede pedir de nosotros: muy simple, por y la parte inferior de la página y 'Accesorios' el cable para agregar a su carrito.
De la misma manera, usted puede ordenar una nueva bobina de encendido. Las bobinas de encendido usan ya no están a menudo y buenas condiciones. La única manera de estar seguro de que su bobina de encendido no se recalentará es comprar una nueva a la vez que comprar el distribuidor 123. Le recomendamos 123 Red Coil para 4 cilindros.
Tal vez usted también necesita nuevas bujías? Y Leen también ofrece las mejores designaciones. Vea la página de bujías.
Conjuntos completos
Ahora también disponible de una sola vez como juego completo.
Para Fiat 124: un distribuidor 123/TUNE FIAT-TC-4-A-V (USB) + 123 Red Coil + juego de 4 bujías WR7DC + cables de bujía
Para Fiat 131: un distribuidor 123/TUNE FIAT-TC-4-A-V (USB) + 123 Red Coil + juego de 4 bujías WR7DC + cables de bujía
Ficha técnica
- Cilindros
- 4
- Dirección de rotación
- CW/CCW
- Voltaje
- 4,0 - 15,0 voltios
- Distancia
- 500 - 10.000 rpm
- Temperatura
- -30 a 100 Celsius
- Bobina
- Bobina estándar o de alta energía, bobina primaria NO inferior a 1,0 ohmios
- Residir
- Corriente constante, completamente automática
- Se acabó el tiempo
- Después de 1 segundo se desconecta la corriente
- precisión
- Menos de 0,5 degr. cigüeñal
- Vacío
- Programable: -20 / +20 grados.
- Avance máximo
- Cigüeñal de 40 grados
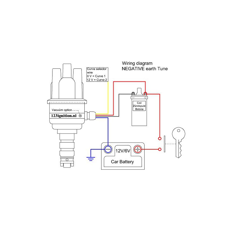
- Alambrado
- red +6V of +12rojo + 6V o + 12V, bobina de encendido negra '-', tierra del chasis azul, selector de curva amarilloV, black - coil, blue chassis ground, yellow curve selector
- Tipo de tierra
- Adecuado para tipos de tierra negativos y positivos
- Curva
- Programable mediante cable USB con software para PC con Windows
No hay ninguna opinión por el momento.

